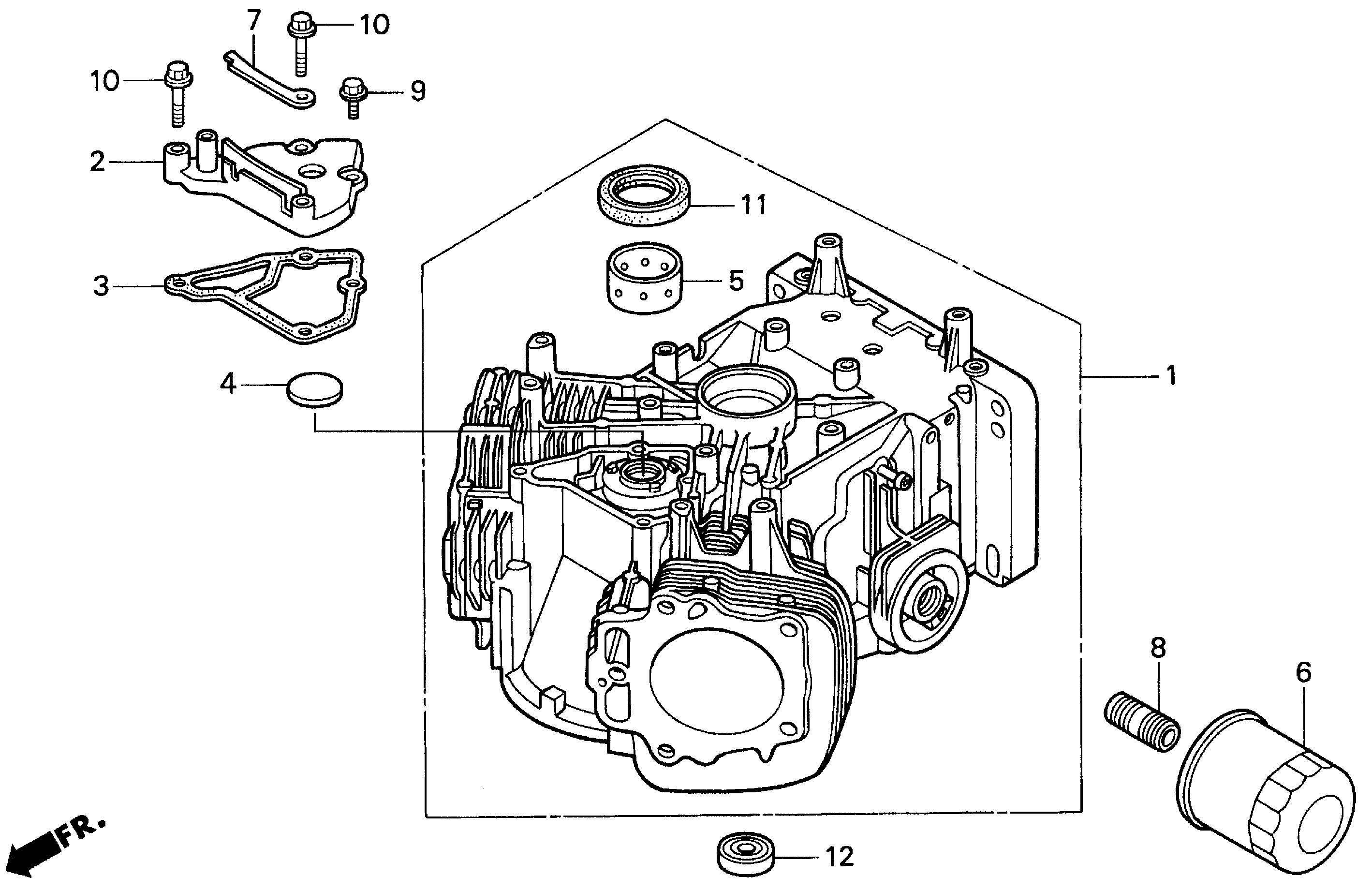
Commercial Mowers (36" - 48") HRC HRC7020 HRC7020 ZMA CPH3-1000001-9999999 CYLINDER - Ag-Pro, LLC.

Ref No
Part Number
Description
Serial Range
Qty
Price

Ref No
1
Part Number
120A0-ZJ4-000
Description
CYLINDER ASSY. (NOT AVAILABLE)
Serial Range
1000001 - 9999999

Ref No
2
Part Number
12356-ZJ1-000
Description
COVER, BREATHER
Serial Range
1000001 - 9999999
Qty
Price
$31.34

Ref No
3
Part Number
12358-ZJ1-000
Description
GASKET, BREATHER COVER
Serial Range
1000001 - 9999999
Qty
Price
$11.42

Ref No
4
Part Number
12372-ZE2-300
Description
VALVE, BREATHER
Serial Range
1000001 - 9999999
Qty
Price
$3.76

Ref No
5
Part Number
13321-ZJ1-000
Description
BEARING A, MAIN (BLUE) (TO SELECT CORRECT BEARING, SEE THE SERVICE MANUAL.)
Serial Range
1000001 - 9999999

Ref No
5
Part Number
13322-ZJ1-000
Description
BEARING B, MAIN (BLACK) (TO SELECT CORRECT BEARING, SEE THE SERVICE MANUAL.
Serial Range
1000001 - 9999999

Ref No
5
Part Number
13323-ZJ1-000
Description
BEARING C, MAIN (BROWN) (TO SELECT CORRECT BEARING, SEE THE SERVICE MANUAL.
Serial Range
1000001 - 9999999

Ref No
6
Part Number
15400-PLM-A02PE
Description
FILTER, OIL (SOLD INDIVIDUALLY)
Serial Range
1000001 - 9999999
Qty
Price
$12.42

Ref No
6
Part Number
15400-PT7-005
Description
FILTER, OIL (ALLIED SIGNAL USA) (SOLD IN MULTIPLES OF 30)
Serial Range
1000001 - 9999999
Qty
Price
$11.24

Ref No
6
Part Number
15400-ZJ1-004
Description
FILTER, OIL (TOYO ROKI) (SOLD INDIVIDUALLY)
Serial Range
1000001 - 9999999

Ref No
7
Part Number
31511-ZJ1-000
Description
CLAMP, WIRE
Serial Range
1000001 - 9999999
Qty
Price
$4.14

Ref No
8
Part Number
90018-PN3-000
Description
HOLDER, OIL FILTER
Serial Range
1000001 - 9999999
Qty
Price
$9.36

Ref No
9
Part Number
90029-888-000
Description
BOLT, FLANGE (6X16) (CT200)
Serial Range
1000001 - 9999999
Qty
Price
$2.74

Ref No
10
Part Number
90031-ZE1-000
Description
BOLT, FLANGE (6X32) (CT200)
Serial Range
1000001 - 9999999
Qty
Price
$3.52

Ref No
11
Part Number
91201-ZJ1-003
Description
OIL SEAL (38X58X11)
Serial Range
1000001 - 9999999
Qty
Price
$13.14

Ref No
12
Part Number
96140-60030-10
Description
BEARING, RADIAL BALL (6003)
Serial Range
1000001 - 9999999
Qty
Price
$20.06